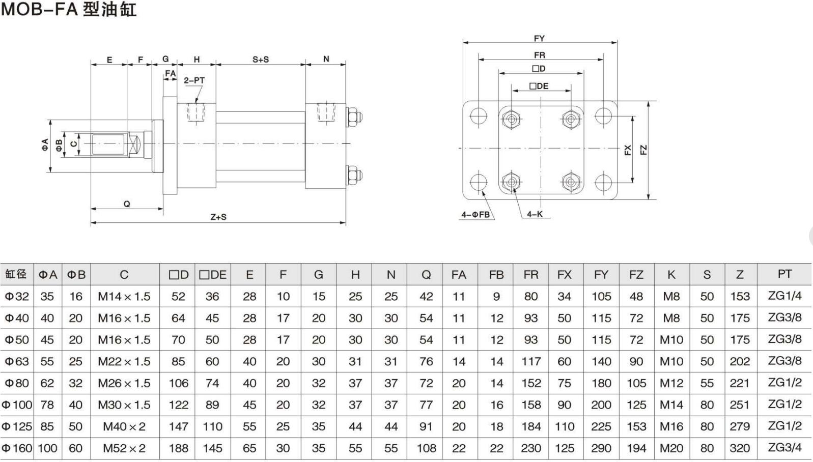
MOB cylinder with prepositive flange-液壓系統_液壓油缸_氣動元件_液壓系統廠家_液壓系統報價--郑州顺宝机械制造集团(WAP站)

Qingdao Baishicheng Hydraulic Technology Application Co. Ltd.
More than 20 years focus on hydraulic technology

Contact Us

Haier Road 88 Jia, Yinghai Industry Park, Jiaozhou Qingdao, Shandong Provinz, China
132-2087-3388
MOB cylinder with prepositive flange
Consult now
  • Products

返回頂(ding)部

·
·
  
·